◆ Modelo: YG60 YG100 YG150
◆ Uso: Todas as partes desta série de medidores são feitas de aço inoxidável, e as peças principais são feitas de 1CR18NI9, OCR18NI12MO2TI, SUS316, SUS316L, etc. A soldagem de cada parte é feita por um processo especial. Entre eles, o medidor de pressão de alta temperatura resistente à corrosão possui um excelente desempenho de alta temperatura e corrosão, adequado para ambientes corrosivos, pode detectar fracos meios corrosivos, mas não cristalização, não consolidação, baixa viscosidade de alta temperatura. Amplamente utilizado em petróleo, químico, pesticida, borracha, gás natural e outras indústrias.
◆ Parâmetros técnicos :
| Número do modelo | YG60 | YG100 | YG150 | ||
| Diâmetro nominal | Φ 60 | Φ 100 | Φ 150 | ||
| Tipo de montagem | Ⅰ | * | * | * | |
| Ⅱ | * | * | * | ||
| Ⅲ | * | / | / | ||
| Ⅳ | * | * | * | ||
| Ⅴ | * | / | / | ||
| Ⅵ | * | * | * | ||
| Tópico do conector | M14 × 1.5 | M20 × 1.5 | |||
| Classe de precisão | 2.5 | 1.6 | |||
| Faixa de medição ( MPA ) | Vago: -0.1 ~ 0 Vacuum de pressão: -0.1 ~ 0,06 -0.1 ~ 0,15 -0.1 ~ 0,3 -0.1 ~ 0.5 -0.1 ~ 0,9 -0.1 ~ 1.5 -0.1 ~ 2.4 Pressão: 0 ~ 0,1 0 ~ 0,16 0 ~ 0,25 0 ~ 0,4 0 ~ 0.6 0 ~ 1 0 ~ 1.6 0 ~ 2,5 0 ~ 4 0 ~ 6 0 ~ 10 0 ~ 16 0 ~ 25 0 ~ 40 0 ~ 60 0 ~ 100 、 0 ~ 160 、 0 ~ 250 | ||||
| Condições ambientais de uso | Temp : -40 ℃~ 70 ℃ | ||||
| Temperatura | Instalação direta: ≤ 150 ℃ | ||||
| Temperatura: ≤ 500 ℃ | |||||
| Erro de efeito de temperatura | Δ = ± (δ K Δ t ) Δ— - O valor permitido do erro do valor da exibição quando a temperatura ambiente se desvia de 20 ℃ ± 5 ℃, e o valor permitido do erro do valor da exibição quando a temperatura ambiente se desvia de 20 ℃ ± 5 ℃. % Δ— - o valor absoluto do erro intrínseco do instrumento. % K —— Coeficiente de efeito de temperatura com um valor de 0,04%/° C Δ t -—∣temperature of the Medium no tubo de Bourdon ℃ -25∣ | ||||
| Classificação de vibração | V · H · 3 | ||||
| Material do tubo de Borden | OCR18NI12MO2TI ; SUS316 ; SUS316L | ||||
| Habitação, material do conector | 1CR18NI9TI ; SUS304 | ||||
| Classe de proteção | IP65 | ||||
| Padrões de implementação | GB/T 1226 | ||||
| Nota: 1. Os threads conjuntos podem ser personalizados de acordo com os requisitos do usuário. | |||||
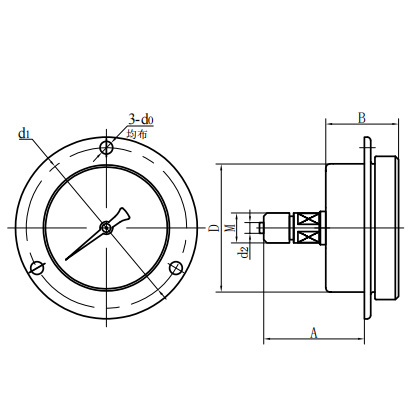
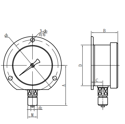
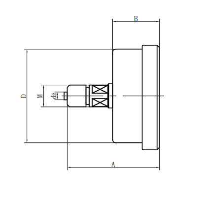
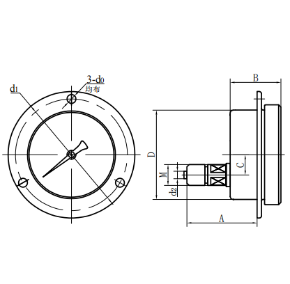
◆ Dimensões externas:
| Tipo direto radial (ⅰ) | Tipo direto excêntrico axial (ⅱ) |
| Tipo direto concêntrico axial (iii) | Tipo de inserção excêntrica axial (IV) |
| Tipo de inserção concêntrica axial (V) | Tipo convexo radial (vi) |
| Número do modelo | Dimensões gerais ( mm ) | |||||||
| UM | B | C | D | d0 | D1 | D2 | M | |
| YG60 -Ⅰ | 56 | 33 | 11 | Φ 60 | / | / | Φ 5 | M14 × 1.5 |
| YG60 -Ⅱ | 61 | 32.5 | 18 | Φ 60 | / | / | Φ 5 | |
| YG60 -Ⅲ | 61 | 32.5 | / | Φ 60 | / | / | Φ 5 | M14 × 1.5 |
| YG60 -Ⅳ | 55 | 32.5 | 18 | Φ 60 | Φ 5 | Φ 75 | Φ 5 | |
| YG60 -Ⅴ | 55 | 32.5 | / | Φ 60 | Φ 5 | Φ 75 | Φ 5 | M14 × 1.5 |
| YG60 -Ⅵ | 56 | 33 | 11 | Φ 60 | Φ 5 | Φ 75 | Φ 5 | M14 × 1.5 |
| YG100 -Ⅰ | 90 | 48 | 15 | Φ 100 | / | / | Φ 6 | M20 × 1.5 |
| YG100 -Ⅱ | 83 | 44 | 34 | Φ 100 | / | / | Φ 6 | M20 × 1.5 |
| YG100 -Ⅳ | 68 | 44 | 34 | Φ 100 | Φ 6 | Φ 118 | Φ 6 | M20 × 1.5 |
| YG100 -Ⅵ | 90 | 48 | 15 | Φ 100 | Φ 6 | Φ 118 | Φ 6 | M20 × 1.5 |
| YG150 -Ⅰ | 117 | 51 | 16.5 | Φ 150 | / | / | Φ 6 | M20 × 1.5 |
| YG150 -Ⅱ | 92 | 52 | 55 | Φ 150 | / | / | Φ 6 | M20 × 1.5 |
| YG150 -Ⅳ | 69 | 52 | 55 | Φ 150 | Φ 6 | Φ 165 | Φ 6 | M20 × 1.5 |
| YG150 -Ⅵ | 117 | 53 | 28 | Φ 150 | Φ 6 | Φ 165 | Φ 6 | M20 × 1.5 |
















