◆ Modelo: YLM60 YLM100 YLM150
◆ Aplicação: Esta série de instrumentos são instrumentos especiais para detectar o meio de baixa temperatura ou refrigerante especial, usado principalmente no refrigerador de ar condicionado, resfriador de água, secador de ar ou sistema de grupo de medidores de refrigerante.
Ele também pode fabricar diferentes painéis de múltiplas marcas de refrigerante de acordo com os requisitos dos clientes, e existem muitos tipos de limites e casos (estilo suíço) para os clientes escolherem.
Devido ao projeto otimizado do conector e às considerações especiais na seleção de materiais de soldagem e componentes de detecção de pressão, esta série de produtos possui excelentes características de anti-leakage, pulso anti-pressão e antivibração, portanto, a qualidade do instrumento é bastante aprimorada e a função e a perda do sistema de refrigeração devido aos problemas de qualidade do produto são eliminados.
◆ Parâmetros técnicos :
| Número do modelo | YLM60 | YLM100 | YLM150 | |
| Diâmetro nominal | Φ 60 | Φ 100 | Φ 150 | |
| Tipo de montagem | Ⅰ | * | * | * |
| Ⅱ | * | * | * | |
| Ⅲ | * | / | / | |
| Ⅳ | * | * | * | |
| Ⅴ | * | / | / | |
| Ⅵ | * | * | * | |
| Tópico do conector | M14 × 1.5 | M20 × 1.5 | ||
| Classe de precisão | 2.5 | 1.6 | ||
| Faixa de medição ( MPA ) | baixa tensão : (- 30 ~ 0 …… 15 ) kg , 1.8MPa opressivo:( 0 ~ 35 ) kg , 3.8MPa | |||
| Especificação de tipo de mídia | R134A 、 R22A 、 R404A 、 R407A | |||
| Condições ambientais de uso | Temp: -20 ℃~ 60 ℃; Umidade relativa: ≤ 80 % | |||
| Classificação de vibração | V · H · 3 | |||
| Classe de proteção | IP54 | |||
| Padrões de implementação | GB/T 1226 | |||
| Nota: 1. Os threads conjuntos podem ser personalizados de acordo com os requisitos do usuário. | ||||
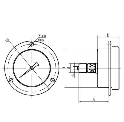
◆ Dimensões externas:
| Tipo direto radial (ⅰ) | Tipo direto excêntrico axial (ⅱ) |
| Tipo direto concêntrico axial (iii) | Tipo de inserção excêntrica axial (IV) |
| Tipo de inserção concêntrica axial (V) | Tipo convexo radial (vi) |
| Número do modelo | Dimensões gerais ( mm ) | |||||||
| UM | B | C | D | d0 | D1 | D2 | M | |
| YLM60 -Ⅰ | 56 | 33 | 11 | Φ 60 | / | / | Φ 5 | M14 × 1.5 |
| YLM60 -Ⅱ | 61 | 32.5 | 18 | Φ 60 | / | / | | |
| YLM60 -Ⅲ | 61 | 32.5 | / | Φ 60 | / | / | Φ 5 | M14 × 1.5 |
| YLM60 -Ⅳ | 55 | 32.5 | 18 | Φ 60 | Φ 5 | Φ 75 | | |
| YLM60 -Ⅴ | 55 | 32.5 | / | Φ 60 | Φ 5 | Φ 75 | Φ 5 | M14 × 1.5 |
| YLM60 -Ⅵ | 56 | 33 | 11 | Φ 60 | Φ 5 | Φ 75 | Φ 5 | M14 × 1.5 |
| YLM100 -Ⅰ | 90 | 48 | 15 | Φ 100 | / | / | Φ 6 | M20 × 1.5 |
| YLM100 -Ⅱ | 83 | 44 | 34 | Φ 100 | / | / | Φ 6 | M20 × 1.5 |
| YLM100 -Ⅳ | 68 | 44 | 34 | Φ 100 | Φ 6 | Φ 118 | Φ 6 | M20 × 1.5 |
| YLM100 -Ⅵ | 90 | 48 | 15 | Φ 100 | Φ 6 | Φ 118 | Φ 6 | M20 × 1.5 |
| YLM150 -Ⅰ | 117 | 51 | 16.5 | Φ 150 | / | / | Φ 6 | M20 × 1.5 |
| YLM150 -Ⅱ | 92 | 52 | 55 | Φ 150 | / | / | Φ 6 | M20 × 1.5 |
| YLM150 -Ⅳ | 69 | 52 | 55 | Φ 150 | Φ 6 | Φ 165 | Φ 6 | M20 × 1.5 |
| YLM150 -Ⅵ | 117 | 53 | 28 | Φ 150 | Φ 6 | Φ 165 | Φ 6 | M20 × 1.5 |


















