◆ Modelo: YC40 YC50 YC60 YC75 YC100 YC150
◆ Uso: Esta série de instrumentos é adequada para medir a pressão de líquido, gás, vapor e outros meios de fluido sem perigo de explosão, cristalização ou solidificação em navios e equipamentos relacionados.
Esta série de instrumentos tem tipo luminoso, na escala principal do mostrador e na extremidade frontal do ponteiro, é revestido com agente luminoso permanente ativo ou passivo, para que o valor da pressão possa ser lido claramente no escuro.
A concha desta série de instrumentos é totalmente selada e tem uma certa resistência à corrosão da água do mar, protegendo assim os componentes internos do instrumento contra danos e corrosão por ondas e água do mar.
Esta série de instrumentos também pode ser preenchida com óleo de amortecimento de baixa viscosidade na concha, com a capacidade de resistir à vibração do ambiente de trabalho causado pelo mau tempo no mar e pela pulsação de pressão média.
Esta série de instrumentos é usada principalmente em navios offshore, campos de petróleo e gás offshore, plataformas de perfuração offshore, mineração no fundo do mar, navegação interior e outras indústrias.
◆ Parâmetros técnicos :
| Número do modelo | YLM60 | YLM100 | YLM150 | |
| Diâmetro nominal | Φ 60 | Φ 100 | Φ 150 | |
| Tipo de montagem | Ⅰ | * | * | * |
| Ⅱ | * | * | * | |
| Ⅲ | * | / | / | |
| Ⅳ | * | * | * | |
| Ⅴ | * | / | / | |
| Ⅵ | * | * | * | |
| Tópico do conector | M14 × 1.5 | M20 × 1.5 | ||
| Classe de precisão | 2.5 | 1.6 | ||
| Faixa de medição ( MPA ) | Vago: -0.1 ~ 0 Vacuum de pressão: -0.1 ~ 0,06 -0.1 ~ 0,15 -0.1 ~ 0.3 -0.1 ~ 0,5 -0.1 ~ 0,9 -0.1 ~ 1.5 -0.1 ~ 2.4 Pressão: 0 ~ 0,1 0 ~ 0,16 0 ~ 0,25 0 ~ 0,4 0 ~ 0.6 0 ~ 1 0 ~ 1.6 0 ~ 2,5 0 ~ 4 0 ~ 6 0 ~ 10 0 ~ 16 0 ~ 25 0 ~ 40 0 ~ 60 0 ~ 100 、 0 ~ 160 、 0 ~ 250 |
| Condições ambientais de uso | Temp: -40 ℃~ 70 ℃ |
| Classificação de vibração | Tipo normal: V · H · 3 ; Tipo sísmico (tipo cheio de líquido): V · H · 4 |
| Material do tubo de Borden | QSN4-0.3 、 OCR18NI12MO2TI |
| Material de caixa e conector | 1CR18NI9TI ; SUS304 |
| Classe de proteção | IP65 |
| Padrões de implementação | GB/T 1226 ; JB/T 6804 |
| Nota: 1. Os threads conjuntos podem ser personalizados de acordo com os requisitos do usuário. | |
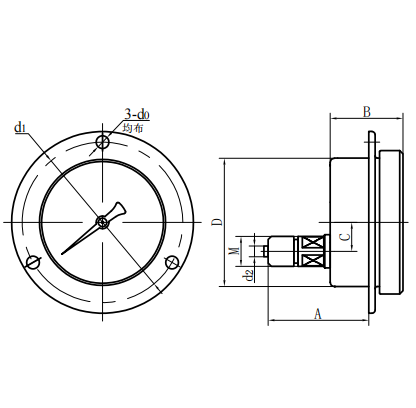
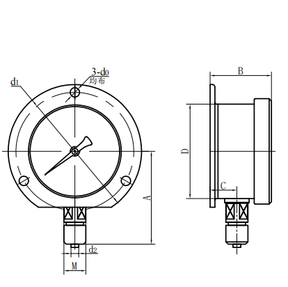
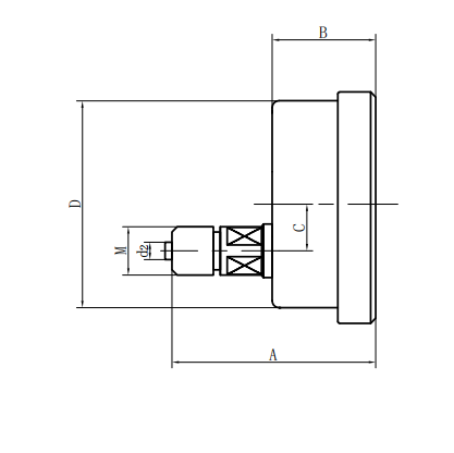
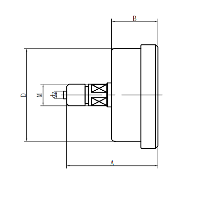
◆ Dimensões externas:
| Tipo direto radial (ⅰ) | Tipo direto excêntrico axial (ⅱ) |
| Tipo direto concêntrico axial (iii) | Tipo de inserção excêntrica axial (IV) |
| Tipo de inserção concêntrica axial (V) | Tipo convexo radial (vi) |
| Número do modelo | Dimensões gerais (mm) | |||||||
| UM | B | C | D | d0 | D1 | D2 | M | |
| Yc60- Ⅰ | 56 | 33 | 11 | Φ 60 | / | / | Φ 5 | M14 × 1.5 |
| Yc60- Ⅱ | 61 | 32.5 | 18 | Φ 60 | / | / | Φ 5 | |
| Yc60- Ⅲ | 61 | 32.5 | / | Φ 60 | / | / | Φ 5 | M14 × 1.5 |
| Yc60- Ⅳ | 55 | 32.5 | 18 | Φ 60 | Φ 5 | Φ 75 | Φ 5 | |
| Yc60- Ⅴ | 55 | 32.5 | / | Φ 60 | Φ 5 | Φ 75 | Φ 5 | M14 × 1.5 |
| Yc60- Ⅵ | 56 | 33 | 11 | Φ 60 | Φ 5 | Φ 75 | Φ 5 | M14 × 1.5 |
| YC100- Ⅰ | 90 | 48 | 15 | Φ 100 | / | / | Φ 6 | M20 × 1.5 |
| YC100- Ⅱ | 83 | 44 | 34 | Φ 100 | / | / | Φ 6 | M20 × 1.5 |
| YC100- Ⅳ | 68 | 44 | 34 | Φ 100 | Φ 6 | Φ 118 | Φ 6 | M20 × 1.5 |
| YC100- Ⅵ | 90 | 48 | 15 | Φ 100 | Φ 6 | Φ 118 | Φ 6 | M20 × 1.5 |
| YC150- Ⅰ | 117 | 51 | 16.5 | Φ 150 | / | / | Φ 6 | M20 × 1.5 |
| YC150- Ⅱ | 92 | 52 | 55 | Φ 150 | / | / | Φ 6 | M20 × 1.5 |
| YC150- Ⅳ | 69 | 52 | 55 | Φ 150 | Φ 6 | Φ 165 | Φ 6 | M20 × 1.5 |
| YC150- Ⅵ | 117 | 53 | 28 | Φ 150 | Φ 6 | Φ 165 | Φ 6 | M20 × 1.5 |


















