◆ Modelo: YJ150 YJ150A
◆ Uso: Esta série de instrumentos é usada principalmente para calibrar medidores de pressão industriais ou civis comuns. Também pode ser usado para medir com precisão a pressão de meios não corrosivos, não cristalizantes e não consolidadores, como liga de cobre e aço estrutural da liga no local do processo.
Esta série de instrumentos na linha de escala sob a configuração do anel do espelho, em uso, pode fazer com que o erro de leitura seja minimizado. Um tipo com zero dispositivo, no processo de uso, se você achar que o ponteiro não retorna a zero, na ausência de pressão da mídia pode ser ponteiro de ajuste fino, de modo que ele retorne a zero para reduzir o erro.
◆ Parâmetros técnicos :
| Número do modelo | YJ150 | YJ150A | |
| Diâmetro nominal | Φ 150 | ||
| Formulário de instalação | Ⅰ | * | * |
| Ⅳ | * | * | |
| Tópico do conector | M20 × 1.5 | ||
| Classe de precisão | 0.4 | ||
| Faixa de medição ( MPA ) | Vago: -0.1 ~ 0 Vacuum de pressão: -0.1 ~ 0,06 -0.1 ~ 0,15 -0.1 ~ 0,3 -0.1 ~ 0,5 -0.1 ~ 0,9 -0.1 ~ 1.5 -0.1 ~ 2.4 Pressão: 0 ~ 0,1 0 ~ 0,16 0 ~ 0,25 0 ~ 0,4 0 ~ 0.6 0 ~ 1 0 ~ 1.6 0 ~ 2,5 0 ~ 4 0 ~ 6 0 ~ 10 0 ~ 16 0 ~ 25 0 ~ 40 0 ~ 60 0 ~ 100 | ||
| Condições ambientais de uso | Temp: 20 ℃ ± 3 ℃ | ||
| Classificação de vibração | V · H · 2 | ||
| Classe de proteção | IP54 | ||
| Padrões de implementação | GB/T 1227 | ||
| Nota: 1. Os threads conjuntos podem ser personalizados de acordo com os requisitos do usuário. | |||
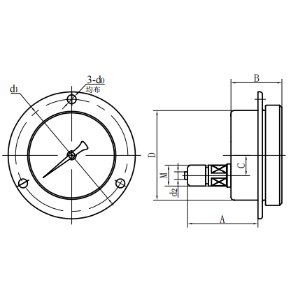
◆ Dimensões externas:
| Tipo direto radial (ⅰ) | Tipo direto excêntrico axial (ⅱ) |
| Número do modelo | Dimensões gerais ( mm ) | |||||||
| UM | B | C | D | d0 | D1 | D2 | M | |
| YJ150- Ⅰ Yj150a- Ⅰ | 113 | 51 | 21 | Φ 150 | / | / | Φ 6 | M20 × 1.5 |
| YJ150- Ⅳ Yj150a- Ⅳ | 79 | 51 | 55 | Φ 150 | Φ 6 | Φ 165 | Φ 6 | M20 × 1.5 |


















