◆ Parâmetros técnicos:
| Modelo | CYB100 | Cyb150 |
| Diâmetro nominal | Φ 100 | Φ 150 |
| Tipo de montagem | Radial convexo montado Interfaces paralelas | * | * |
| Radial convexo montado Interface de oito caracteres | / | * |
| Tipo excêntrico excêntrico | / | * |
| Faixa de medição | Pressão diferencial Faixa de medição KPA | Nominal Pressão de trabalho KPA | Pressão diferencial Faixa de medição MPA | Nominal Pressão de trabalho MPA |
| 0 ~ 10 | 60 | 0 ~ 0.16 | 1 |
| 0 ~ 16 | 100 | 0 ~ 0.25 | 1.6 |
| 0 ~ 25 | 160 | 0 ~ 0.4 | 2.5 |
| 0 ~ 40 | 250 | 0 ~ 0.6 | 4 |
| 0 ~ 60 | 400 | 0 ~ 1 | 6 |
| 0 ~ 100 | 600 | 0 ~ 1.6 | 10 |
| | | 0 ~ 2.5 | 10 |
| Classe de precisão | 2.5 |
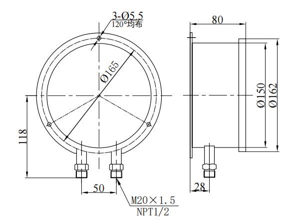
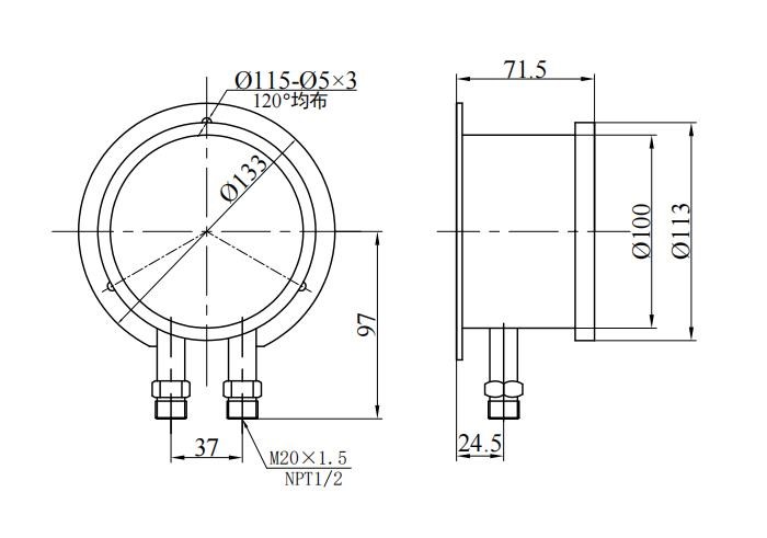
| Encadeamentos de encaixe | M20 × 1.5 |
| Use temperatura ambiente | -40 ℃~ 70 ℃ |
| A temperatura do meio a ser usada | ≤ 60 ℃ |
| Classificação de resistência à vibração | V · H · 3 |
| Classificação do gabinete | IP54 |
| peso | Aproximadamente 1,0 kg |
| Material do sistema de impulso | 0CR17NI12MO2 、 SUS316 |
| invólucro e outros materiais | 1CR18NI9 、 SUS304 |
| Aplicar o padrão | JB/T 12015-2014 |
| Observação: 1 . O encadeamento conjunto pode ser personalizado de acordo com os requisitos do usuário. |
◆ Tamanho da aparência e instalação:
| CYB100 Interface paralela | Cyb150 Interface paralela |
| Cyb150 Interface Bazi | Cyb150 Excentricidade axial |
◆ Princípio estrutural:
O instrumento adota uma estrutura dupla de tubo de Bourdon, Assim, ou seja, dois tubos de Bourdon são instalados em posições simétricas em ambos os lados do suporte "I". As seções superior e inferior do suporte "I" são a extremidade móvel e a extremidade fixa, respectivamente, e o meio é conectado por uma peça de mola: os dois tubos de Bourdon estão em um estado paralelo e estão conectados à ponta de alta e baixa tensão na sujeira e é conectada diretamente à sujeira e é a montagem da rodeia e a transmissão é instalada diretamente na extremidade fixa da sujeira e a rodeia e a transmissão é instalada diretamente na extremidade fixa da rodeia, e a transmissão é instalada na extremidade fixa da rodeia, e a transmissão é instalada na extremidade fixa da barra fixa e diretamente na extremidade fixa da barra de transmissão e a transmissão da montanha na extremidade fixa da rodela. o mecanismo de transmissão de engrenagens.
◆ Princípio de trabalho: Com base no elemento de detecção de pressão, dois tubos de Bourdon com a mesma rigidez são usados, para que sejam forçados a produzir a mesma força concentrada sob o mesmo meio medido para agir no suporte móvel, respectivamente, porque o ponto de vista do pão é que o ponto de vista do momento é que o ponto de deflexão do momento é o que o momento é o que o momento é o que o momento é o que o momento é o que o momento é o que o momento é o que o momento é o que o momento é o que o momento é o que o momento é o que o momento é o que o momento é o que o momento é o que o momento é o que o momento é o que o momento é o que o momento é o que o ponto de vista do momento é o que o momento é o que o momento é o que o momento é o que o ponto de vista do momento é o que o momento é o que o momento é o que o momento é o que o momento é o que o momento é o que o momento é o que o ponto de vista, o que é o momento da renda, o que é o momento, o que é o momento de referência. posição.
Queo diferentes pressões são aplicadas (geralmente a extremidade de alta pressão é maior que a extremidade de baixa pressão) , a força dos dois tubos de Bourdon que atua no suporte móvel não é igual, de modo que o deslocamento correspondente é gerado, respectivamente, e o mecanismo de transmissão de engrenagem é acionado e amplificado e o valor diferencial da pressão entre os dois é indicado após o ponteiro, é definido.
◆ Precauções:
1. O O instrumento deve ser instalado verticalmente em uma posição que esteja no mesmo nível do ponto de medição, caso contrário, o erro adicional causado pela diferença de nível de líquido deve ser levado em consideração.
2 . O conector do instrumento marcado com " H " ou " "é a extremidade de alta tensão, e a marcada com" L " ou " - "É a extremidade de baixa tensão, que não pode ser revertida durante a instalação.
3 . Quando o instrumento mede a pressão diferencial, o valor de pressão diferencial pode ser usado dentro 75% do limite superior da faixa de escala e o valor máximo de pressão estática do sistema não deve exceder o valor máximo de pressão estática especificada pelo instrumento.
4. Como mostrado na figura 4 , a válvula de equilíbrio (segurança) (válvula 1 ) deve ser definido na frente das portas de entrada de alta e baixa pressão do instrumento durante a instalação e deve estar na posição aberta, e a válvula de equilíbrio deve ser fechada após a válvula 2 and Válvula 3 estão todos abertos.
5 . Antes do uso, o instrumento deve verificar cuidadosamente o grau de erosão causado pelo meio medido, para não causar danos à corrosão precoce ao tubo de Bourdon.
◆ Instruções de pedido:
Ao pedir o instrumento, o usuário deve indicar:
1. Modelo e nome, faixa de pressão diferencial, pressão estática máxima, unidade de medição, nível de precisão;
2. Material de ajuste e tubo de Bourdon;
3. Tamanho da linha da junta: convencional M20 × 1.5 , Npt1/2 (ou designação do cliente);
4. Nota: Três grupos de válvulas podem ser personalizados em nome dos usuários (válvulas 1 ~ 3 na figura 4 )