◆ Modelo: yë-ml yë-mf yë mg yë-mz yë-mk yë-mn yë-ms
◆ Aplicação: Devido à estrutura de medição indireta, o medidor de pressão do diafragma é adequado para medir a pressão de líquidos, gases ou sólidos que fluem granulares com alta viscosidade, fácil de cristalizar, forte corrosão e alta temperatura. O diafragma de isolamento possui uma variedade de materiais para se adaptar a uma variedade de diferentes meios corrosivos.
Esses instrumentos são usados principalmente em fibra química, fibra sintética, petróleo, tingimento, álcalis, ácido, alimentos, medicina, construção, mineração, fundição e outras indústrias.
A cabeça do medidor desse tipo de instrumento pode ser usada em uma variedade de séries: medidor de pressão geral, bitola de pressão resistente ao choque, uma variedade de medidor de pressão de contato elétrico, uma variedade de medidor de pressão de contato elétrico resistente ao choque, transmissor de pressão, manômetro remoto, manômetro digital, controlador de pressão e assim por diante.
◆ Princípio da estrutura:
Este instrumento é medição indireta. Deformação do diafragma do isolamento sob a pressão do meio medido, o líquido de vedação é pressurizado e a pressão é transmitida à pressão.
O líquido de vedação é pressurizado e a pressão é realizada no instrumento de detecção, que mostra o valor da pressão média medida.
◆ Parâmetros técnicos :
| Modelo da cabeça do medidor | Vários tipos de instrumentos de pressão, transmissores de pressão, controladores de pressão, etc. | |||
| Classe de precisão | 1.6 ; 2.5 | |||
| Classe de precisão ( MPA ) | 0 ~ 0,1 0 ~ 0,16 0 ~ 0,25 0 ~ 0,4 0 ~ 0.6 0 ~ 1 0 ~ 1.6 0 ~ 2,5 0 ~ 4 0 ~ 6 0 ~ 10 0 ~ 16 0 ~ 25 0 ~ 40 | |||
| Material do diafragma | apelidos | Material | apelidos | Material |
| 1 | 0CR18NI12MO2 | 5 | Hastelloy C (H276C) | |
| 2 | SUS304 | 6 | Liga de monel (Cu30ni70) | |
| 3 | SUS316 | 7 | Tantalum (TA) | |
| 4 | SUS316L | 8 | Fluoroplástico (PTFE) | |
| Material isolador | 1CR18NI9; 304; 316; 316L; F4; PVC, etc. | |||
| Material de vedação da junta | Nbr; Borracha de silicone médico; Ptfe; Grafite; Fluoroelastômero; etc. | |||
| Fluido de condução de preenchimento | Óleo de silicone metil, óleo vegetal, glicerina, óleo fluorizado, etc. | |||
| efeito de temperatura | Como a expansão térmica do fluido condutor e a rigidez do diafragma estão relacionados à temperatura, o valor do erro é de 0,1%/° C quando a temperatura operacional se desvia de 20 ± 5 ° C. | |||
| Proteção à corrosão | Esse desempenho inclui as características de corrosão do ambiente e o meio de medição, e o material do isolador, folha de diafragma e lavadora de vedação podem ser selecionados de acordo com as condições de uso. | |||
| diferença de nível | Mangueira conectada do medidor de pressão de diafragma na instalação Se o ponto de medição e o manômetro estiverem em diferentes alturas, sua diferença de nível de líquido gerada pela diferença de pressão △ p afetará o valor medido do instrumento, a fórmula é: △ P = gravidade específica do nível de vedação líquido × diferença de nível líquido. | |||
| Padrões de implementação | JB/T 8624 | |||
| Nota: 1, o encadeamento do conector pode ser personalizado de acordo com os requisitos do usuário; 2 、 O flange de conexão pode ser personalizado de acordo com os requisitos do usuário padrão do flange. | ||||
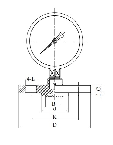
◆ Tamanho do tipo isolador e esquema de instalação:
| (ML) Interface rosqueada | (MF) Flange de face aberta |
























