◆ Modelo: Yp100-L YP150-L YP100-F150-F
◆ Modelo: Yp100-L YP150-L YP100-F150-F
◆ Parâmetros técnicos:
| Modelo | YP100-L 、 YP100-F | YP150-L 、 YP150-F |
| Diâmetro nominal | F 100 | F 150 |
| Classe de precisão | 2.5 | |
| Faixa de medição ( KPA ) | Pressão negativa: -60 ~ 0 -40 ~ 0 -25 ~ 0 -16 ~ 0 -10 ~ 0 0 ~ 10 -6 ~ 0 -4 ~ 0 -2,5 ~ 0 -1.6 ~ 0 Pressão positiva: 0 ~ 1.6 0 ~ 2,5 0 ~ 4 0 ~ 6 0 ~ 1 0 ~ 1.6 0 ~ 2.5 Pressão positiva e negativa: -0.8 ~ 0,8 -1.2 ~ 1.2 -2 ~ 2 -3 ~ 3 -5 ~ 5 -8 ~ 8 -12 ~ 12 -20 ~ 20 -30 ~ 30 | |
| Faixa de medição ( MPA ) | Vácuo: -0.1 ~ 0 Vácuo de pressão: -0.1 ~ 0,06 -0.1 ~ 0,15 -0.1 ~ 0.3 -0.1 ~ 0,5 -0.1 ~ 0,9 -0.1 ~ 1.5 -0.1 ~ 2.4 Pressão: 0 ~ 0,06 0 ~ 0,1 0 ~ 0,16 0 ~ 0,25 0 ~ 0.4 0 ~ 0,6 0 ~ 1 0 ~ 1.6 0 ~ 2.5 | |
| Use temperatura ambiente | -40 ℃~ 70 ℃ | |
| Material do diafragma | OCR18NI12MO2TI ; SUS316 ; | |
| Tipo de montagem | Rosqueado ( L ); Flange ( F ), ( F1 ) | |
| Classificação de resistência à vibração | V · H · 2 | |
| Proteção de entrada | IP64 | |
| Aplicar o padrão | JB/T 5491 | |
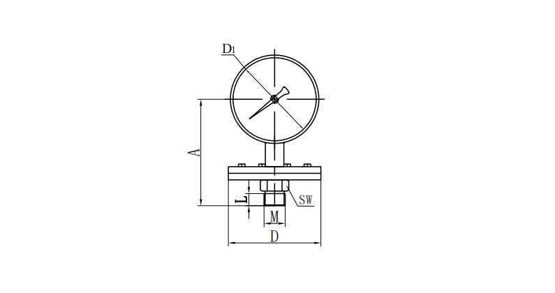
◆ Dimensões externas:
Rosqueado ( L )
| Modelo | Dimensões ( mm ) | |||||
| UM | D | D1 | SW | L | M | |
| YP100-L | 135 | Φ 97.5 Micropressura φ 165 | 110 | 27 | 20 | M20 × 1.5 |
| YP150-L | 160 | 160 | 27 | 20 | M20 × 1.5 | |
| Nota: o fio conjunto ( M ) pode ser transformado em rosca de tubo ou rosca cônica de acordo com os requisitos do usuário (consulte o guia de seleção). | ||||||
Wuxi Huihua Special Instrumentation Co., Ltd. was established in December 2001, the registered capital is 5 million yuan, the existing staff of more than 50 small and medium-sized joint-stock enterprises.
A empresa é especializada na produção de vários tipos de instrumentos especiais, alternativa à localização de instrumentos importados. Para medidor de pressão sísmica, medidor de pressão de contato elétrico sísmico, medidor de pressão de aço inoxidável, medidor de pressão resistente à corrosão do diafragma, medidor de pressão marinha e outras séries como os principais produtos. Com base em instrumentos de campo, desenvolvemos vários tipos de transmissores de pressão, controladores de pressão, manômetros digitais e assim por diante. Existem mais de 30 séries e 3000 especificações. Os produtos de suprimento são amplamente utilizados em petróleo, químico, papel, metalurgia, mineração, fibra química, energia elétrica, alimentos, proteção ambiental, borracha e plástico, hidráulica e muitos outros setores, e mais de 2.000 clientes domésticos para estabelecer um relacionamento amigável com as empresas nacionais de grande e médio porte para estabelecer uma boa parceria, ganhando a maioria dos usuários elogios e estabelecem elogios de elogios e estabeleceram uma elogio de elogios de um elogio nacional.
Como YP Series diafragma medidores Manufacturers, Processos estritos de controle de qualidade estão em vigor em todo o sistema de fabricação para garantir que a qualidade consistente seja produzida.
Os manômetros estão entre os instrumentos mais fundamentais em qualquer ambiente industrial, mecânico ou de processo. Eles fornecem medição em tempo real da pressão de fluidos ou gases, permitindo que os operadores mo......
Leia maisCompreendendo os fundamentos do manômetro Manômetros são instrumentos essenciais usados em inúmeras indústrias para medir e exibir a pressão de gases ou líquidos dentro de um sistema. Esses dispositivos desem......
Leia maisOs transmissores de pressão diferencial são instrumentos essenciais nos modernos sistemas de controle, medição e monitoramento de processos industriais. Esses dispositivos medem a diferença de pressão entre dois ponto......
Leia mais