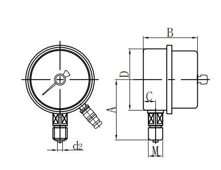
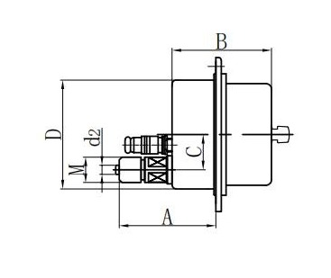
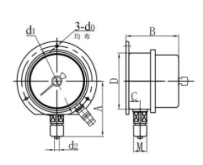
◆ Modelo: YXCH100 YXCH150
◆ Aplicação: Este tipo de instrumento é adequado para medir a pressão de líquidos, gases ou vapores sem risco de explosão, sem cristalização, sem solidificação e nenhum efeito corrosivo nas ligas de cobre e cobre. Quando está equipado com um sistema de circuito adequado, ele pode enviar um alarme ou controle automático ao sistema de pressão a ser medido e controlado.
◆ Se for necessário fazer um medidor de pressão do tipo à prova de choque, ele pode ser preenchido com glicerina ou óleo de silicone.


















