◆ Modelo: YJY100 YJY150
◆ Uso: pressão absoluta refere -se à pressão que é maior que a pressão absoluta zero com pressão absoluta zero (vácuo absoluto) como referência. O valor absoluto da pressão pode ser expresso pela seguinte fórmula:
Valor da pressão absoluta = vácuo (pressão negativa) Valor do valor da pressão atmosférica
O medidor de pressão absoluto é usado principalmente para monitorar ou medir a pressão absoluta em alguns equipamentos de vácuo (por exemplo, máquinas de embalagem a vácuo, equipamentos para monitorar a pressão da condensação e a pressão de vapor do líquido, etc.).
◆ Pressão de trabalho: A carga estática é usada até 3/4 do valor limite superior da medição, a carga de troca é usada até 2/3 do valor limite superior da medição e a pressão de curto tempo é usada até o valor limite superior da medição.
◆ Parâmetros técnicos :
| Número do modelo | YJY100 | YJY150 | |
| Diâmetro nominal | Φ 100 | Φ 150 | |
| Formulário de instalação | Ⅰ | * | * |
| Ⅱ | * | * | |
| Ⅳ | * | * | |
| Ⅵ | * | * | |
| Tópico do conector | M20 × 1.5 | ||
| Classe de precisão | 0.4 ; 1.0 ; 1.6 ; 2.5 | ||
| Faixa de medição ( MPA ) | 0 ~ 0,1 0 ~ 0,16 0 ~ 0,25 0 ~ 0,4 0 ~ 0,6 0 ~ 1 0 ~ 1.6 0 ~ 2,5 0 ~ 4 0 ~ 6 0 ~ 10 | ||
| Condições ambientais de uso | Temp: -40 ℃~ 70 ℃ (Classe de precisão: 0.4 ) -50 ℃~ 160 ℃ (Classe de precisão: 1.0 ~ 2.5 ) umidade relativa : ≦ 80 % | ||
| Classificação de vibração | V · H · 2 ; V · H · 3 | ||
| Classe de proteção | IP65 | ||
| Padrões de implementação | | ||
| Nota: 1. Os threads conjuntos podem ser personalizados de acordo com os requisitos do usuário. | |||
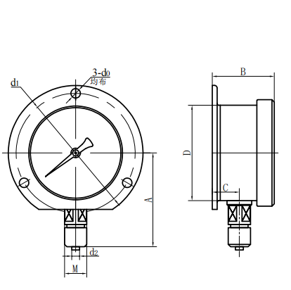
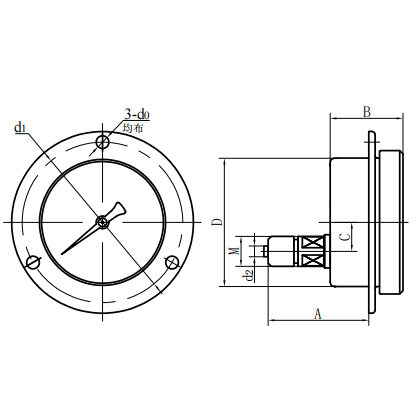
◆ Dimensões externas:
|
Tipo direto radial (ⅰ) | Tipo direto excêntrico axial (ⅱ) |
| Tipo direto concêntrico axial (iii) | Tipo de inserção excêntrica axial (iv) |
| Número do modelo | Dimensões gerais ( mm ) | |||||||
| UM | B | C | D | d0 | D1 | D2 | M | |
| YJY100 -Ⅰ | 90 | 48 | 15 | Φ 100 | / | / | Φ 6 | M20 × 1.5 |
| YJY100 -Ⅱ | 83 | 44 | 34 | Φ 100 | / | / | Φ 6 | M20 × 1.5 |
| YJY100 -Ⅳ | 68 | 44 | 34 | Φ 100 | Φ 6 | Φ 118 | Φ 6 | M20 × 1.5 |
| YJY100 -Ⅵ | 90 | 48 | 15 | Φ 100 | Φ 6 | Φ 118 | Φ 6 | M20 × 1.5 |
| YJY150 -Ⅰ | 117 | 51 | 16.5 | Φ 150 | / | / | Φ 6 | M20 × 1.5 |
| YJY150 -Ⅱ | 92 | 52 | 55 | Φ 150 | / | / | Φ 6 | M20 × 1.5 |
| YJY150 -Ⅳ | 69 | 52 | 55 | Φ 150 | Φ 6 | Φ 165 | Φ 6 | M20 × 1.5 |
| YJY150 -Ⅵ | 117 | 53 | 28 | Φ 150 | Φ 6 | Φ 165 | Φ 6 | M20 × 1.5 |
























